| Sign In | Join Free | My spintoband.com |
|
Brand Name : CENO
Model Number : ECN000-02P3-10S
Certification : CE,RoHS,ISO9001,UL
Place of Origin : China
MOQ : 1pcs
Price : Negotiable
Payment Terms : T/T,Paypal, Western Union
Supply Ability : 1000pcs per month
Delivery Time : 1 week
Packaging Details : Carton/As request
Current : 2*15A,10*signal
Rating Voltage : 0-380VAC/VDC
Working speed : 0~300rpm
Protection Grade : IP54
High Insulation Resistance Hybrid Slip Rings Transmit Power And Signal
Industrial slip rings stand for reliable transmission of electrical power, analog, or digital signals, as well as for transmission of field buses and Industrial Ethernet. they are widely used in marine engineering equipment or other industrial . its good insulation resistance and high voltage resistance,and keeping stable performance.
Features
Applications
Optional
Specification
| ECN000-02P3-10S Specification | Picture | |
| Current | 2*15A,10*signal | ![]() |
| Voltage | 0-380VAC/VDC | |
| Electrical noise | ≤70mΩ(50rpm) | |
| Dielectric strength | ≥1000V@50Hz(power) ≥300V@50Hz(signal) | |
| Insulation resistance | ≥500MΩ@500VDC(power) ≥300MΩ@100VDC(signal) | |
| Operating speed | 0-300 rpm | |
| Contact material | Precious metals | |
| Operating temperature | -20~+60℃ | |
| IP protection grade | IP54 | |
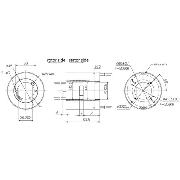
Outline Drawing

Why with CENO
CENO is one technologically company in slip ring field who engages research and development,manufacturing and sales.We have advanced equipment and high precision test instruments to ensure products quality and reliable performance.Facility area covers 3000 square meters and located in Shenzhen China.

Certification
ISO9001,CE,RoHS,UL,Explosion-proof

CENO Advantage
Member in engineering team have more than 10 years experience in slip ring's field.Operators work on critical procedure are all qualified by internal training.

Service CENO provides
24 hours,7days consultant service.
Mass and customized production.
Solution offerring for 360° rotation system.
Welcome to consult us with your requests for any 360° rotation system.We will provide one stop service to you timely respond your inquiries.
|
|
Hybrid Industrial Slip Ring Transmit Power / Signal High Insulation Resistant Images |